Moms visas:

FBS fällbar lastbrygga stål lastkaj 6000 kg fast montering

Artikelnummer: FBSS 01, 302.50.000
0 kr
Storlek (L x B)
Ytbehandling
Finns i lager för omgående leverans
Beställningsvara
.
Beställningsvara

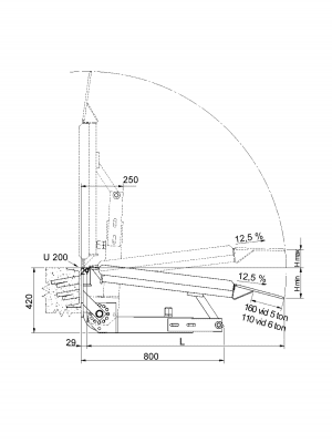
FBS fällbar lastbrygga i stål med fast montering är en robust och användarvänlig lösning för att effektivt överbrygga nivåskillnader mellan flak och lastkaj. Bryggan monteras med en galvaniserad monteringsskena som fästs i lastkajens kant, där lastbryggan sedan fästes för en stabil och säker installation. Den vikbara konstruktionen gör att bryggan enkelt kan fällas upp i viloläge när den inte används, vilket sparar plats och håller arbetsytan fri. Tack vare det underhållsfria fjädersystemet blir hanteringen smidig och ergonomisk, oavsett om den används som lastbrygga, klaffbrygga eller rampbrygga. Monteringsskena ingår inte som standard och köps vid behov separat.

Stabil konstruktion och hög kapacitet för krävande miljöer

Den kraftiga stålkonstruktionen ger hög stabilitet och lång livslängd även vid intensiv användning. FBS lastbrygga klarar belastningar upp till 6000 kg och klarar nivåskillnader upp till 250 mm. För optimal hållbarhet är bryggan antingen varmförzinkad eller lackerad för ett effektivt skydd mot korrosion. När bryggan inte används står den vertikalt och säkras med ett fallskydd som förhindrar oavsiktlig vältning.

Egenskaper FBS lastbrygga

  • Fast montering med monteringsskena
  • Underhållsfritt fjädersystem för enkel och ergonomisk hantering
  • Hög kapacitet – upp till 6000 kg
  • Klarar nivåskillnader upp till 250 mm
  • Korrosionsskyddad yta (varmförzinkad eller lackerad)

 

Lastkapacitet
6000 kg
Totallängd
1250 mm
Bredd
1500 mm
Totalvikt
245 kg
Höjd min - max
-160 mm / +110 mm
Material
Stål
Färg
RAL 5010




×

Begär offert för FBS fällbar lastbrygga stål lastkaj 6000 kg fast montering








 



 












Moms visas:
Produkter

Information

 

Kontakt

Service & reservdelar
support@micrologistic.com
Order & leverans
order@micrologistic.com
Prisfrågor
offert@micrologistic.com
Fakturafrågor
faktura@micrologistic.com
Allmänna frågor
info@micrologistic.com